当前位置:首页>新闻详情
华业管道给大家介绍下烟气挡板门的一些特点!
2020-04-14 14:08:08
点击:1838
众所周知烟气挡板门是脱硫装置进入和退出运行的重要设备,分为烟气脱硫(FGD)主烟气挡板(包括原烟气挡板门和净烟气挡板门)和旁路烟气挡板。
在脱硫系统正常运行的情况下,从锅炉电除尘器尾部出来的烟气,经FGD系统入口挡板门至升压风机后,再由烟气换热器降温进入吸收塔,脱硫后的烟气被烟气换热器加热到80℃左右,经FGD出口烟气挡板门进入烟囱。
FGD 系统设有旁路烟道,内设旁路挡板门,当FGD 系统检修、维护或烟气工
况异常时烟气由旁路烟道直接排入烟囱以确保脱硫系统的安全。电厂与脱硫岛之间
的隔离和连接是通过烟气系统中烟气挡板门的启闭来实现的,挡板门在保证锅炉及脱硫系统正常稳定运行及系统设备安全方面起着至关重要的作用。
下面我们介绍下挡板门系统组成每套 FGD 脱硫挡板系统由进、出口挡板门和旁路挡板门,共用一套密封空气系统(包括电加热器)组成。每套密封空气系统包括两台(一运一备)密封风机和一台电加热器,以及相关的风门(阀门)、风机出口消声器、补偿器(膨胀节)、逆止门等。
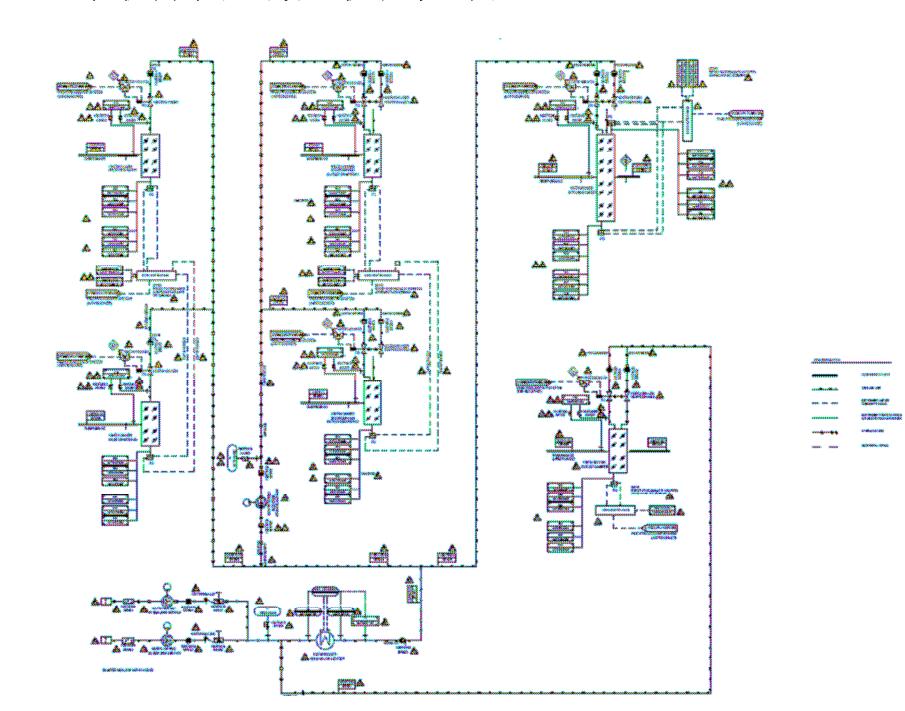
挡板门系统的管道仪表布置图

非金属膨胀节,金属补偿器,法兰式不锈钢补偿器,复式拉杆波纹补偿器,无约束补偿器,煤粉用金属波纹管补偿器,直埋式波纹补偿器,大拉杆波纹补偿器,旁通压力平衡型补偿器,外压式波纹补偿器,铰链型膨胀节,套筒补偿器,金属软管,复合软管,旋转补偿器,维氏补偿器,洛氏补偿器,球形补偿器,橡胶补偿器,热电联产,非金属补偿器,圆形金属补偿器,波纹膨胀节,复式拉杆型膨胀节,轴向无约束型补偿器,送粉管道补偿器,直埋内压双向波纹补偿器,横向大拉杆膨胀节,蒸汽补偿器,轴向外压式波纹补偿器,复式铰链型膨胀节,直埋式套筒补偿器,环形波纹管金属软管,橡胶软管,无推力免维护防泄漏旋转补偿器,v型连接器,三维球形补偿器,可曲挠橡胶接头,热网循环水进回水管道波纹补偿器,矩形非金属补偿器,圆形金属膨胀节,波纹管(压力环),复式拉杆型波纹补偿器,无约束波纹补偿器,直埋轴向内压波纹补偿器,大拉杆补偿器,曲管压力平衡型膨胀节,外压轴向型补偿器,单式铰链型膨胀节,单向无推力套筒补偿器,金属软管快速接头,快速接头,中压旋转补偿器,v型挠性联接器,单球体可曲挠橡胶接头,矩形非金属膨胀节,矩形金属补偿器,波形膨胀节,无约束双向补偿器波纹补偿器,直埋型内压双向波纹补偿器,拉杆型波纹补偿器,直管压力平衡型补偿器,聚乙烯预制保温直埋式轴向型外压金属波纹膨胀节,复式万向铰链型膨胀节,双向无推力套筒补偿器,还原炉尾气软管,橡胶接头,圆形非金属补偿器,矩形金属膨胀节,不锈钢法兰伸缩补偿器,取消固定支架直埋轴向内压波纹补偿器,大拉杆型膨胀节,轴向内外压平衡式波纹补偿器,直埋外压波纹补偿器,万向铰横向型波纹补偿器,有推力防拉脱直埋套筒补偿器,金属波纹软管,橡胶软连接,圆形非金属膨胀节,圆形单波金属补偿器,波纹管伸缩箱,预制保温直埋型轴向波纹补偿器,横向大拉杆补偿器,曲管压力平衡补偿器,外压式轴向型直埋波纹补偿器,万向铰链型补偿器,直通式压力平衡直埋套筒补偿器,不锈钢金属软管,橡胶膨胀节,冷风道非金属补偿器,矩形单波金属补偿器,直埋型轴向波纹补偿器,轴向大拉杆补偿器,小机排汽管道补偿器,一次性直埋外压波纹补偿器,万向铰链型波纹补偿器,无推力防脱啦直埋套筒补偿器,氧枪金属软管,冷一次风织物补偿器,圆形双波金属补偿器,法兰金属伸缩补偿器,直埋单向波纹补偿器,轴向波纹补偿器,曲管压力平衡型补偿器,直埋外压式波纹补偿器,铰链式膨胀节,套筒式补偿器,加液软管,冷二次风织物补偿器,矩形双波金属补偿器,通用型补偿器,直埋双向波纹补偿器,大拉杆横向补偿器,弯管平衡波纹补偿器,直埋外压式金属波纹补偿器,双铰链式补偿器,直埋套筒补偿器,回气软管,密封风织物补偿器,鼓风干燥管道金属补偿器,不锈钢波纹膨胀节,一次性波纹补偿器(双向导流筒),大拉杆横向型波纹补偿器,腰鼓式直通压力平衡波纹补偿器,外压直埋保温波纹补偿器,单向,单铰链式补偿器,单向直埋套筒补偿器,金属软管法兰连接,热风道金属补偿器,回热风管道金属补偿器,补偿器,凝汽器循环水进水管补偿器,旁通式直管压力平衡波纹补偿器,双向,角向膨胀节,单向架空套筒补偿器,螺纹金属软管,热一次风非金属补偿器,炉罩电除尘进出口风管补偿器,伸缩节,大机凝泵进口波形补偿器,曲管压力平衡波纹补偿器,万向膨胀节,预制防腐直埋单向套筒补偿器,法兰金属软管,热二次风再循环非金属补偿器,主抽电除尘及风管道补偿器,低温金属补偿器,疏水扩容器排汽管道波形补偿器,压力自平衡型膨胀节,单向直埋外压式波纹补偿器,预制保温直埋套筒补偿器,不锈钢双活接外丝金属软管,烟道非金属补偿器,风箱支管补偿器,高温波纹补偿器,凝汽器低压旁路蒸汽接口补偿器,曲管压力平衡型金属波纹补偿器,双向直埋外压式波纹补偿器,单向双导流直埋套筒补偿器,抗震金属软管,除尘器前烟道非金属补偿器,二次风总管补偿器,预存室放散用高温补偿器,储罐用大拉杆补偿器,直通压力平衡波纹补偿器,预制保温直埋外压式金属波纹管补偿器,免维护直埋套筒补偿器,除尘器后烟道非金属补偿器,双波补偿器,单向伸缩器,低压汽水管道金属补偿器,轴向内压直通式压力平衡波纹补偿器,供水套筒补偿器,不锈钢抗震金属软管,烟道补偿器,高温膨胀节,波形补偿器,旁路出口大拉杆波纹补偿器,回水套筒补偿器,天然气软管,入塔补偿器,带报警装置金属膨胀节,凝汽器循环水出水管补偿器,凝泵进口大拉杆波纹补偿器,供、回水套筒补偿器,金属软连接,脱硫非金属膨胀节,一次热风道补偿器,低压旁路管道补偿器,压力平衡式免维护套筒补偿器,高温非金属膨胀节,热风道再循环风道金属补偿器,小机凝泵进口波形补偿器,循环水补偿器,非金属方形膨胀节,等离子点火旁路风道金属补偿器,轴向通用型膨胀节,循环水金属补偿器,平衡套筒补偿器,软连接,热二次风道金属补偿器,不锈钢法兰连接波纹补偿器,循环水系统补偿器,柔性补偿器,冷一次风道金属补偿器,循环水管道金属膨胀节,循环水系统凝汽器进口补偿器,矩形柔性补偿器,烟道金属补偿器,高温轴向型波纹补偿器,循环水凝汽器出口波形补偿器,柔性织物补偿器,金属膨胀节,通用轴向型波纹补偿器,凝结水系统凝汽器出口补偿器,布袋补偿器,单式轴向型膨胀节,主机凝汽器进水管大拉杆补偿器,锅炉非金属膨胀节,出塔补偿器,复式自由型膨胀节,主机凝汽器出水管大拉杆补偿器,热风管道非金属膨胀节,凝泵进口金属波纹补偿器,烟气非金属膨胀节,膨胀节,伸缩接头,旁路出口波形大拉杆补偿器,净烟气非金属膨胀节,清洁水疏水箱出口金属波纹补偿器,风机出口非金属膨胀节,汽水管道补偿器,采暖抽汽管道大拉杆补偿器,厂区热网蒸汽管道大拉杆补偿器,大高炉煤气导出管补偿器,半净煤气波纹补偿器,大拉杆横向波纹补偿器,大拉杆横向波纹膨胀节,内压大拉杆横向金属波纹补偿器,大拉杆横向型膨胀节,循环水波纹补偿器,电动风阀,气动风阀,手动风阀,液压风阀,电动风门,气动风门,手动风门,液压风门,电动挡板门,气动挡板门,手动挡板门,液压挡板门,电动阀门,气动阀门,手动阀门,液压阀门,电动蝶阀,气动蝶阀,手动蝶阀,液压蝶阀,电动插板门,气动插板门,手动插板门,液压插板门,电动插板阀,气动插板阀,手动插板阀,液压插板阀,电动闸门,气动闸门,手动闸门,液压闸门,电动隔绝门,气动隔绝门,手动隔绝门,液压隔绝门,电动隔离门,气动隔离门,手动隔离门,液压隔离门,电动调节门,气动调节门,手动调节门,液压调节门,脱硫烟气风阀,双密封脱硫风阀,烟气脱硫风阀,316L脱硫风阀,脱硫烟气风门,双密封脱硫风门,烟气脱硫风门,316L脱硫风门,脱硫烟气挡板门,双密封脱硫挡板门,烟气脱硫挡板门,316L脱硫挡板门,脱硫烟气阀门,双密封脱硫阀门,烟气脱硫阀门,316L脱硫阀门,脱硫烟气蝶阀,双密封脱硫蝶阀,烟气脱硫蝶阀,316L脱硫蝶阀,脱硫烟气插板门,双密封脱硫插板门,烟气脱硫插板门,316L脱硫插板门,脱硫烟气插板阀,双密封脱硫插板阀,烟气脱硫插板阀,316L脱硫插板阀,脱硫烟气闸门,双密封脱硫闸门,烟气脱硫闸门,316L脱硫闸门,脱硫烟气隔绝门,双密封脱硫隔绝门,烟气脱硫隔绝门,316L脱硫隔绝门,脱硫烟气隔离门,双密封脱硫隔离门,烟气脱硫隔离门,316L脱硫隔离门,脱硫烟气调节门,双密封脱硫调节门,烟气脱硫调节门,316L脱硫调节门,高温烟气风阀,烟气高温风阀,高温挡板风阀,不锈钢高温风阀,高温烟气风门,烟气高温风门,高温挡板风门,不锈钢高温风门,高温烟气挡板门,烟气高温挡板门,高温挡板挡板门,不锈钢高温挡板门,高温烟气阀门,烟气高温阀门,高温挡板阀门,不锈钢高温阀门,高温烟气蝶阀,烟气高温蝶阀,高温挡板蝶阀,不锈钢高温蝶阀,高温烟气插板门,烟气高温插板门,高温挡板插板门,不锈钢高温插板门,高温烟气插板阀,烟气高温插板阀,高温挡板插板阀,不锈钢高温插板阀,高温烟气闸门,烟气高温闸门,高温挡板闸门,不锈钢高温闸门,高温烟气隔绝门,烟气高温隔绝门,高温挡板隔绝门,不锈钢高温隔绝门,高温烟气隔离门,烟气高温隔离门,高温挡板隔离门,不锈钢高温隔离门,高温烟气调节门,烟气高温调节门,高温挡板调节门,不锈钢高温调节门,挡板调节风阀,气动调节风阀,电动调节风阀,百叶调节风阀,挡板调节风门,气动调节风门,电动调节风门,百叶调节风门,挡板调节挡板门,气动调节挡板门,电动调节挡板门,百叶调节挡板门,挡板调节阀门,气动调节阀门,电动调节阀门,百叶调节阀门,挡板调节蝶阀,气动调节蝶阀,电动调节蝶阀,百叶调节蝶阀,挡板调节插板门,气动调节插板门,电动调节插板门,百叶调节插板门,挡板调节插板阀,气动调节插板阀,电动调节插板阀,百叶调节插板阀,挡板调节闸门,气动调节闸门,电动调节闸门,百叶调节闸门,挡板调节隔绝门,气动调节隔绝门,电动调节隔绝门,百叶调节隔绝门,挡板调节隔离门,气动调节隔离门,电动调节隔离门,百叶调节隔离门,挡板调节调节门,气动调节调节门,电动调节调节门,百叶调节调节门,常温常闭风阀,气动常温风阀,电动常温风阀,气动调节常温风阀,常温常闭风门,气动常温风门,电动常温风门,气动调节常温风门,常温常闭挡板门,气动常温挡板门,电动常温挡板门,气动调节常温挡板门,常温常闭阀门,气动常温阀门,电动常温阀门,气动调节常温阀门,常温常闭蝶阀,气动常温蝶阀,电动常温蝶阀,气动调节常温蝶阀,常温常闭插板门,气动常温插板门,电动常温插板门,气动调节常温插板门,常温常闭插板阀,气动常温插板阀,电动常温插板阀,气动调节常温插板阀,常温常闭闸门,气动常温闸门,电动常温闸门,气动调节常温闸门,常温常闭隔绝门,气动常温隔绝门,电动常温隔绝门,气动调节常温隔绝门,常温常闭隔离门,气动常温隔离门,电动常温隔离门,气动调节常温隔离门,常温常闭调节门,气动常温调节门,电动常温调节门,气动调节常温调节门,电动挡板风阀,挡板电动风阀,电动烟道风阀,关闭电动风阀,电动挡板风门,挡板电动风门,电动烟道风门,关闭电动风门,电动挡板挡板门,挡板电动挡板门,电动烟道挡板门,关闭电动挡板门,电动挡板阀门,挡板电动阀门,电动烟道阀门,关闭电动阀门,电动挡板蝶阀,挡板电动蝶阀,电动烟道蝶阀,关闭电动蝶阀,电动挡板插板门,挡板电动插板门,电动烟道插板门,关闭电动插板门,电动挡板插板阀,挡板电动插板阀,电动烟道插板阀,关闭电动插板阀,电动挡板闸门,挡板电动闸门,电动烟道闸门,关闭电动闸门,电动挡板隔绝门,挡板电动隔绝门,电动烟道隔绝门,关闭电动隔绝门,电动挡板隔离门,挡板电动隔离门,电动烟道隔离门,关闭电动隔离门,电动挡板调节门,挡板电动调节门,电动烟道调节门,关闭电动调节门,船用烟气风阀,船舶烟气风阀,调节烟气风阀,船用烟气风门,船舶烟气风门,调节烟气风门,船用烟气挡板门,船舶烟气挡板门,调节烟气挡板门,船用烟气阀门,船舶烟气阀门,调节烟气阀门,船用烟气蝶阀,船舶烟气蝶阀,调节烟气蝶阀,船用烟气插板门,船舶烟气插板门,调节烟气插板门,船用烟气插板阀,船舶烟气插板阀,调节烟气插板阀,船用烟气闸门,船舶烟气闸门,调节烟气闸门,船用烟气隔绝门,船舶烟气隔绝门,调节烟气隔绝门,船用烟气隔离门,船舶烟气隔离门,调节烟气隔离门,船用烟气调节门,船舶烟气调节门,调节烟气调节门,调节型气动风阀,挡板气动风阀,开关气动风阀,船用气动风阀,调节型气动风门,挡板气动风门,开关气动风门,船用气动风门,调节型气动挡板门,挡板气动挡板门,开关气动挡板门,船用气动挡板门,调节型气动阀门,挡板气动阀门,开关气动阀门,船用气动阀门,调节型气动蝶阀,挡板气动蝶阀,开关气动蝶阀,船用气动蝶阀,调节型气动插板门,挡板气动插板门,开关气动插板门,船用气动插板门,调节型气动插板阀,挡板气动插板阀,开关气动插板阀,船用气动插板阀,调节型气动闸门,挡板气动闸门,开关气动闸门,船用气动闸门,调节型气动隔绝门,挡板气动隔绝门,开关气动隔绝门,船用气动隔绝门,调节型气动隔离门,挡板气动隔离门,开关气动隔离门,船用气动隔离门,调节型气动调节门,挡板气动调节门,开关气动调节门,船用气动调节门,高温不锈钢风阀,34不锈钢风阀,气动不锈钢风阀,船用不锈钢风阀,高温不锈钢风门,34不锈钢风门,气动不锈钢风门,船用不锈钢风门,高温不锈钢挡板门,34不锈钢挡板门,气动不锈钢挡板门,船用不锈钢挡板门,高温不锈钢阀门,34不锈钢阀门,气动不锈钢阀门,船用不锈钢阀门,高温不锈钢蝶阀,34不锈钢蝶阀,气动不锈钢蝶阀,船用不锈钢蝶阀,高温不锈钢插板门,34不锈钢插板门,气动不锈钢插板门,船用不锈钢插板门,高温不锈钢插板阀,34不锈钢插板阀,气动不锈钢插板阀,船用不锈钢插板阀,高温不锈钢闸门,34不锈钢闸门,气动不锈钢闸门,船用不锈钢闸门,高温不锈钢隔绝门,34不锈钢隔绝门,气动不锈钢隔绝门,船用不锈钢隔绝门,高温不锈钢隔离门,34不锈钢隔离门,气动不锈钢隔离门,船用不锈钢隔离门,高温不锈钢调节门,34不锈钢调节门,气动不锈钢调节门,船用不锈钢调节门,风机花瓣式风阀,调节型花瓣式风阀,风道花瓣式风阀,烟道花瓣风阀,风机花瓣式风门,调节型花瓣式风门,风道花瓣式风门,烟道花瓣风门,风机花瓣式挡板门,调节型花瓣式挡板门,风道花瓣式挡板门,烟道花瓣挡板门,风机花瓣式阀门,调节型花瓣式阀门,风道花瓣式阀门,烟道花瓣阀门,风机花瓣式蝶阀,调节型花瓣式蝶阀,风道花瓣式蝶阀,烟道花瓣蝶阀,风机花瓣式插板门,调节型花瓣式插板门,风道花瓣式插板门,烟道花瓣插板门,风机花瓣式插板阀,调节型花瓣式插板阀,风道花瓣式插板阀,烟道花瓣插板阀,风机花瓣式闸门,调节型花瓣式闸门,风道花瓣式闸门,烟道花瓣闸门,风机花瓣式隔绝门,调节型花瓣式隔绝门,风道花瓣式隔绝门,烟道花瓣隔绝门,风机花瓣式隔离门,调节型花瓣式隔离门,风道花瓣式隔离门,烟道花瓣隔离门,风机花瓣式调节门,调节型花瓣式调节门,风道花瓣式调节门,烟道花瓣调节门,扇形调节风阀,风机扇形风阀,不锈钢扇形风阀,调节扇形风阀,扇形调节风门,风机扇形风门,不锈钢扇形风门,调节扇形风门,扇形调节挡板门,风机扇形挡板门,不锈钢扇形挡板门,调节扇形挡板门,扇形调节阀门,风机扇形阀门,不锈钢扇形阀门,调节扇形阀门,扇形调节蝶阀,风机扇形蝶阀,不锈钢扇形蝶阀,调节扇形蝶阀,扇形调节插板门,风机扇形插板门,不锈钢扇形插板门,调节扇形插板门,扇形调节插板阀,风机扇形插板阀,不锈钢扇形插板阀,调节扇形插板阀,扇形调节闸门,风机扇形闸门,不锈钢扇形闸门,调节扇形闸门,扇形调节隔绝门,风机扇形隔绝门,不锈钢扇形隔绝门,调节扇形隔绝门,扇形调节隔离门,风机扇形隔离门,不锈钢扇形隔离门,调节扇形隔离门,扇形调节调节门,风机扇形调节门,不锈钢扇形调节门,调节扇形调节门,烟气挡板风阀,调节挡板风阀,密封挡板风阀,不锈钢挡板风阀,烟气挡板风门,调节挡板风门,密封挡板风门,不锈钢挡板风门,烟气挡板挡板门,调节挡板挡板门,密封挡板挡板门,不锈钢挡板挡板门,烟气挡板阀门,调节挡板阀门,密封挡板阀门,不锈钢挡板阀门,烟气挡板蝶阀,调节挡板蝶阀,密封挡板蝶阀,不锈钢挡板蝶阀,烟气挡板插板门,调节挡板插板门,密封挡板插板门,不锈钢挡板插板门,烟气挡板插板阀,调节挡板插板阀,密封挡板插板阀,不锈钢挡板插板阀,烟气挡板闸门,调节挡板闸门,密封挡板闸门,不锈钢挡板闸门,烟气挡板隔绝门,调节挡板隔绝门,密封挡板隔绝门,不锈钢挡板隔绝门,烟气挡板隔离门,调节挡板隔离门,密封挡板隔离门,不锈钢挡板隔离门,烟气挡板调节门,调节挡板调节门,密封挡板调节门,不锈钢挡板调节门,RTO手动风阀,不锈钢手动风阀,密闭手动风阀,快开手动风阀,RTO手动风门,不锈钢手动风门,密闭手动风门,快开手动风门,RTO手动挡板门,不锈钢手动挡板门,密闭手动挡板门,快开手动挡板门,RTO手动阀门,不锈钢手动阀门,密闭手动阀门,快开手动阀门,RTO手动蝶阀,不锈钢手动蝶阀,密闭手动蝶阀,快开手动蝶阀,RTO手动插板门,不锈钢手动插板门,密闭手动插板门,快开手动插板门,RTO手动插板阀,不锈钢手动插板阀,密闭手动插板阀,快开手动插板阀,RTO手动闸门,不锈钢手动闸门,密闭手动闸门,快开手动闸门,RTO手动隔绝门,不锈钢手动隔绝门,密闭手动隔绝门,快开手动隔绝门,RTO手动隔离门,不锈钢手动隔离门,密闭手动隔离门,快开手动隔离门,RTO手动调节门,不锈钢手动调节门,密闭手动调节门,快开手动调节门,挡板圆形风阀,高温圆形风阀,烟气圆形风阀,电动圆形风阀,挡板圆形风门,高温圆形风门,烟气圆形风门,电动圆形风门,挡板圆形挡板门,高温圆形挡板门,烟气圆形挡板门,电动圆形挡板门,挡板圆形阀门,高温圆形阀门,烟气圆形阀门,电动圆形阀门,挡板圆形蝶阀,高温圆形蝶阀,烟气圆形蝶阀,电动圆形蝶阀,挡板圆形插板门,高温圆形插板门,烟气圆形插板门,电动圆形插板门,挡板圆形插板阀,高温圆形插板阀,烟气圆形插板阀,电动圆形插板阀,挡板圆形闸门,高温圆形闸门,烟气圆形闸门,电动圆形闸门,挡板圆形隔绝门,高温圆形隔绝门,烟气圆形隔绝门,电动圆形隔绝门,挡板圆形隔离门,高温圆形隔离门,烟气圆形隔离门,电动圆形隔离门,挡板圆形调节门,高温圆形调节门,烟气圆形调节门,电动圆形调节门,百叶方形风阀,多叶方形风阀,关闭方向风阀,高温方形风阀,百叶方形风门,多叶方形风门,关闭方向风门,高温方形风门,百叶方形挡板门,多叶方形挡板门,关闭方向挡板门,高温方形挡板门,百叶方形阀门,多叶方形阀门,关闭方向阀门,高温方形阀门,百叶方形蝶阀,多叶方形蝶阀,关闭方向蝶阀,高温方形蝶阀,百叶方形插板门,多叶方形插板门,关闭方向插板门,高温方形插板门,百叶方形插板阀,多叶方形插板阀,关闭方向插板阀,高温方形插板阀,百叶方形闸门,多叶方形闸门,关闭方向闸门,高温方形闸门,百叶方形隔绝门,多叶方形隔绝门,关闭方向隔绝门,高温方形隔绝门,百叶方形隔离门,多叶方形隔离门,关闭方向隔离门,高温方形隔离门,百叶方形调节门,多叶方形调节门,关闭方向调节门,高温方形调节门,电力矩形风阀,锅炉矩形风阀,调节矩形风阀,挡板矩形风阀,电力矩形风门,锅炉矩形风门,调节矩形风门,挡板矩形风门,电力矩形挡板门,锅炉矩形挡板门,调节矩形挡板门,挡板矩形挡板门,电力矩形阀门,锅炉矩形阀门,调节矩形阀门,挡板矩形阀门,电力矩形蝶阀,锅炉矩形蝶阀,调节矩形蝶阀,挡板矩形蝶阀,电力矩形插板门,锅炉矩形插板门,调节矩形插板门,挡板矩形插板门,电力矩形插板阀,锅炉矩形插板阀,调节矩形插板阀,挡板矩形插板阀,电力矩形闸门,锅炉矩形闸门,调节矩形闸门,挡板矩形闸门,电力矩形隔绝门,锅炉矩形隔绝门,调节矩形隔绝门,挡板矩形隔绝门,电力矩形隔离门,锅炉矩形隔离门,调节矩形隔离门,挡板矩形隔离门,电力矩形调节门,锅炉矩形调节门,调节矩形调节门,挡板矩形调节门,除尘器风道风阀,热风烟道风阀,磨煤机风道风阀,气动烟道风阀,除尘器风道风门,热风烟道风门,磨煤机风道风门,气动烟道风门,除尘器风道挡板门,热风烟道挡板门,磨煤机风道挡板门,气动烟道挡板门,除尘器风道阀门,热风烟道阀门,磨煤机风道阀门,气动烟道阀门,除尘器风道蝶阀,热风烟道蝶阀,磨煤机风道蝶阀,气动烟道蝶阀,除尘器风道插板门,热风烟道插板门,磨煤机风道插板门,气动烟道插板门,除尘器风道插板阀,热风烟道插板阀,磨煤机风道插板阀,气动烟道插板阀,除尘器风道闸门,热风烟道闸门,磨煤机风道闸门,气动烟道闸门,除尘器风道隔绝门,热风烟道隔绝门,磨煤机风道隔绝门,气动烟道隔绝门,除尘器风道隔离门,热风烟道隔离门,磨煤机风道隔离门,气动烟道隔离门,除尘器风道调节门,热风烟道调节门,磨煤机风道调节门,气动烟道调节门,脱硫风道风阀,蝶瓣风道风阀,高温风道风阀,脱硫风道风门,蝶瓣风道风门,高温风道风门,脱硫风道挡板门,蝶瓣风道挡板门,高温风道挡板门,脱硫风道阀门,蝶瓣风道阀门,高温风道阀门,脱硫风道蝶阀,蝶瓣风道蝶阀,高温风道蝶阀,脱硫风道插板门,蝶瓣风道插板门,高温风道插板门,脱硫风道插板阀,蝶瓣风道插板阀,高温风道插板阀,脱硫风道闸门,蝶瓣风道闸门,高温风道闸门,脱硫风道隔绝门,蝶瓣风道隔绝门,高温风道隔绝门,脱硫风道隔离门,蝶瓣风道隔离门,高温风道隔离门,脱硫风道调节门,蝶瓣风道调节门,高温风道调节门,自动止回风阀,盲板止回风阀,手动止回风阀,气动止回风阀,自动止回风门,盲板止回风门,手动止回风门,气动止回风门,自动止回挡板门,盲板止回挡板门,手动止回挡板门,气动止回挡板门,自动止回阀门,盲板止回阀门,手动止回阀门,气动止回阀门,自动止回蝶阀,盲板止回蝶阀,手动止回蝶阀,气动止回蝶阀,自动止回插板门,盲板止回插板门,手动止回插板门,气动止回插板门,自动止回插板阀,盲板止回插板阀,手动止回插板阀,气动止回插板阀,自动止回闸门,盲板止回闸门,手动止回闸门,气动止回闸门,自动止回隔绝门,盲板止回隔绝门,手动止回隔绝门,气动止回隔绝门,自动止回隔离门,盲板止回隔离门,手动止回隔离门,气动止回隔离门,自动止回调节门,盲板止回调节门,手动止回调节门,气动止回调节门,烟气关闭风阀,电动关闭风阀,出口关闭风阀,烟囱关闭风阀,烟气关闭风门,电动关闭风门,出口关闭风门,烟囱关闭风门,烟气关闭挡板门,电动关闭挡板门,出口关闭挡板门,烟囱关闭挡板门,烟气关闭阀门,电动关闭阀门,出口关闭阀门,烟囱关闭阀门,烟气关闭蝶阀,电动关闭蝶阀,出口关闭蝶阀,烟囱关闭蝶阀,烟气关闭插板门,电动关闭插板门,出口关闭插板门,烟囱关闭插板门,烟气关闭插板阀,电动关闭插板阀,出口关闭插板阀,烟囱关闭插板阀,烟气关闭闸门,电动关闭闸门,出口关闭闸门,烟囱关闭闸门,烟气关闭隔绝门,电动关闭隔绝门,出口关闭隔绝门,烟囱关闭隔绝门,烟气关闭隔离门,电动关闭隔离门,出口关闭隔离门,烟囱关闭隔离门,烟气关闭调节门,电动关闭调节门,出口关闭调节门,烟囱关闭调节门,电动百叶风阀,调节百叶风阀,烟道百叶风阀,尘气百叶风阀,电动百叶风门,调节百叶风门,烟道百叶风门,尘气百叶风门,电动百叶挡板门,调节百叶挡板门,烟道百叶挡板门,尘气百叶挡板门,电动百叶阀门,调节百叶阀门,烟道百叶阀门,尘气百叶阀门,电动百叶蝶阀,调节百叶蝶阀,烟道百叶蝶阀,尘气百叶蝶阀,电动百叶插板门,调节百叶插板门,烟道百叶插板门,尘气百叶插板门,电动百叶插板阀,调节百叶插板阀,烟道百叶插板阀,尘气百叶插板阀,电动百叶闸门,调节百叶闸门,烟道百叶闸门,尘气百叶闸门,电动百叶隔绝门,调节百叶隔绝门,烟道百叶隔绝门,尘气百叶隔绝门,电动百叶隔离门,调节百叶隔离门,烟道百叶隔离门,尘气百叶隔离门,电动百叶调节门,调节百叶调节门,烟道百叶调节门,尘气百叶调节门,气动单板风阀,废气单板风阀,RTO单板风阀,电动单板风阀,气动单板风门,废气单板风门,RTO单板风门,电动单板风门,气动单板挡板门,废气单板挡板门,RTO单板挡板门,电动单板挡板门,气动单板阀门,废气单板阀门,RTO单板阀门,电动单板阀门,气动单板蝶阀,废气单板蝶阀,RTO单板蝶阀,电动单板蝶阀,气动单板插板门,废气单板插板门,RTO单板插板门,电动单板插板门,气动单板插板阀,废气单板插板阀,RTO单板插板阀,电动单板插板阀,气动单板闸门,废气单板闸门,RTO单板闸门,电动单板闸门,气动单板隔绝门,废气单板隔绝门,RTO单板隔绝门,电动单板隔绝门,气动单板隔离门,废气单板隔离门,RTO单板隔离门,电动单板隔离门,气动单板调节门,废气单板调节门,RTO单板调节门,电动单板调节门,密封双板风阀,气动双板风阀,脱硫双板风阀,双密封双板风阀,密封双板风门,气动双板风门,脱硫双板风门,双密封双板风门,密封双板挡板门,气动双板挡板门,脱硫双板挡板门,双密封双板挡板门,密封双板阀门,气动双板阀门,脱硫双板阀门,双密封双板阀门,密封双板蝶阀,气动双板蝶阀,脱硫双板蝶阀,双密封双板蝶阀,密封双板插板门,气动双板插板门,脱硫双板插板门,双密封双板插板门,密封双板插板阀,气动双板插板阀,脱硫双板插板阀,双密封双板插板阀,密封双板闸门,气动双板闸门,脱硫双板闸门,双密封双板闸门,密封双板隔绝门,气动双板隔绝门,脱硫双板隔绝门,双密封双板隔绝门,密封双板隔离门,气动双板隔离门,脱硫双板隔离门,双密封双板隔离门,密封双板调节门,气动双板调节门,脱硫双板调节门,双密封双板调节门,烟气管道风阀,废气管道风阀,脱硫管道风阀,尘气管道风阀,烟气管道风门,废气管道风门,脱硫管道风门,尘气管道风门,烟气管道挡板门,废气管道挡板门,脱硫管道挡板门,尘气管道挡板门,烟气管道阀门,废气管道阀门,脱硫管道阀门,尘气管道阀门,烟气管道蝶阀,废气管道蝶阀,脱硫管道蝶阀,尘气管道蝶阀,烟气管道插板门,废气管道插板门,脱硫管道插板门,尘气管道插板门,烟气管道插板阀,废气管道插板阀,脱硫管道插板阀,尘气管道插板阀,烟气管道闸门,废气管道闸门,脱硫管道闸门,尘气管道闸门,烟气管道隔绝门,废气管道隔绝门,脱硫管道隔绝门,尘气管道隔绝门,烟气管道隔离门,废气管道隔离门,脱硫管道隔离门,尘气管道隔离门,烟气管道调节门,废气管道调节门,脱硫管道调节门,尘气管道调节门,电动密封电动,气动密封风阀,高温密封风阀,脱硫密封风阀,气动密封风门,高温密封风门,脱硫密封风门,气动密封挡板门,高温密封挡板门,脱硫密封挡板门,气动密封阀门,高温密封阀门,脱硫密封阀门,气动密封蝶阀,高温密封蝶阀,脱硫密封蝶阀,气动密封插板门,高温密封插板门,脱硫密封插板门,气动密封插板阀,高温密封插板阀,脱硫密封插板阀,气动密封闸门,高温密封闸门,脱硫密封闸门,气动密封隔绝门,高温密封隔绝门,脱硫密封隔绝门,气动密封隔离门,高温密封隔离门,脱硫密封隔离门,气动密封调节门,高温密封调节门,脱硫密封调节门,调节对开风阀,不锈钢对开风阀,比例对开风阀,风机对开风阀,调节对开风门,不锈钢对开风门,比例对开风门,风机对开风门,调节对开挡板门,不锈钢对开挡板门,比例对开挡板门,风机对开挡板门,调节对开阀门,不锈钢对开阀门,比例对开阀门,风机对开阀门,调节对开蝶阀,不锈钢对开蝶阀,比例对开蝶阀,风机对开蝶阀,调节对开插板门,不锈钢对开插板门,比例对开插板门,风机对开插板门,调节对开插板阀,不锈钢对开插板阀,比例对开插板阀,风机对开插板阀,调节对开闸门,不锈钢对开闸门,比例对开闸门,风机对开闸门,调节对开隔绝门,不锈钢对开隔绝门,比例对开隔绝门,风机对开隔绝门,调节对开隔离门,不锈钢对开隔离门,比例对开隔离门,风机对开隔离门,调节对开调节门,不锈钢对开调节门,比例对开调节门,风机对开调节门,矩形热风风阀,耐高温热风风阀,电动热风风阀,气动热风风阀,矩形热风风门,耐高温热风风门,电动热风风门,气动热风风门,矩形热风挡板门,耐高温热风挡板门,电动热风挡板门,气动热风挡板门,矩形热阀门门,耐高温热阀门门,电动热阀门门,气动热阀门门,矩形热风蝶阀,耐高温热风蝶阀,电动热风蝶阀,气动热风蝶阀,矩形热风插板门,耐高温热风插板门,电动热风插板门,气动热风插板门,矩形热风插板阀,耐高温热风插板阀,电动热风插板阀,气动热风插板阀,矩形热风闸门,耐高温热风闸门,电动热风闸门,气动热风闸门,矩形热风隔绝门,耐高温热风隔绝门,电动热风隔绝门,气动热风隔绝门,矩形热风隔离门,耐高温热风隔离门,电动热风隔离门,气动热风隔离门,矩形热风调节门,耐高温热风调节门,电动热风调节门,气动热风调节门,气动废气风阀,RTO废气风阀,不锈钢废气风阀,耐腐蚀废气风阀,气动废气风门,RTO废气风门,不锈钢废气风门,耐腐蚀废气风门,气动废气挡板门,RTO废气挡板门,不锈钢废气挡板门,耐腐蚀废气挡板门,气动废气阀门,RTO废气阀门,不锈钢废气阀门,耐腐蚀废气阀门,气动废气蝶阀,RTO废气蝶阀,不锈钢废气蝶阀,耐腐蚀废气蝶阀,气动废气插板门,RTO废气插板门,不锈钢废气插板门,耐腐蚀废气插板门,气动废气插板阀,RTO废气插板阀,不锈钢废气插板阀,耐腐蚀废气插板阀,气动废气闸门,RTO废气闸门,不锈钢废气闸门,耐腐蚀废气闸门,气动废气隔绝门,RTO废气隔绝门,不锈钢废气隔绝门,耐腐蚀废气隔绝门,气动废气隔离门,RTO废气隔离门,不锈钢废气隔离门,耐腐蚀废气隔离门,气动废气调节门,RTO废气调节门,不锈钢废气调节门,耐腐蚀废气调节门,不锈钢316L风阀,防腐316L风阀,高温316L风阀,高温废气316L风阀,不锈钢316L风门,防腐316L风门,高温316L风门,高温废气316L风门,不锈钢316L挡板门,防腐316L挡板门,高温316L挡板门,高温废气316L挡板门,不锈钢316L阀门,防腐316L阀门,高温316L阀门,高温废气316L阀门,不锈钢316L蝶阀,防腐316L蝶阀,高温316L蝶阀,高温废气316L蝶阀,不锈钢316L插板门,防腐316L插板门,高温316L插板门,高温废气316L插板门,不锈钢316L插板阀,防腐316L插板阀,高温316L插板阀,高温废气316L插板阀,不锈钢316L闸门,防腐316L闸门,高温316L闸门,高温废气316L闸门,不锈钢316L隔绝门,防腐316L隔绝门,高温316L隔绝门,高温废气316L隔绝门,不锈钢316L隔离门,防腐316L隔离门,高温316L隔离门,高温废气316L隔离门,不锈钢316L调节门,防腐316L调节门,高温316L调节门,高温废气316L调节门,电动双密封风阀,船用双密封风阀,气动双密封风阀,脱硫双密封风阀,电动双密封风门,船用双密封风门,气动双密封风门,脱硫双密封风门,电动双密封挡板门,船用双密封挡板门,气动双密封挡板门,脱硫双密封挡板门,电动双密封阀门,船用双密封阀门,气动双密封阀门,脱硫双密封阀门,电动双密封蝶阀,船用双密封蝶阀,气动双密封蝶阀,脱硫双密封蝶阀,电动双密封插板门,船用双密封插板门,气动双密封插板门,脱硫双密封插板门,电动双密封插板阀,船用双密封插板阀,气动双密封插板阀,脱硫双密封插板阀,电动双密封闸门,船用双密封闸门,气动双密封闸门,脱硫双密封闸门,电动双密封隔绝门,船用双密封隔绝门,气动双密封隔绝门,脱硫双密封隔绝门,电动双密封隔离门,船用双密封隔离门,气动双密封隔离门,脱硫双密封隔离门,电动双密封调节门,船用双密封调节门,气动双密封调节门,脱硫双密封调节门,高温蝶阀式风阀,气动蝶阀式风阀,密封蝶阀式风阀,快关蝶阀式风阀,高温蝶阀式风门,气动蝶阀式风门,密封蝶阀式风门,快关蝶阀式风门,高温蝶阀式挡板门,气动蝶阀式挡板门,密封蝶阀式挡板门,快关蝶阀式挡板门,高温蝶阀式阀门,气动蝶阀式阀门,密封蝶阀式阀门,快关蝶阀式阀门,高温蝶阀式蝶阀,气动蝶阀式蝶阀,密封蝶阀式蝶阀,快关蝶阀式蝶阀,高温蝶阀式插板门,气动蝶阀式插板门,密封蝶阀式插板门,快关蝶阀式插板门,高温蝶阀式插板阀,气动蝶阀式插板阀,密封蝶阀式插板阀,快关蝶阀式插板阀,高温蝶阀式闸门,气动蝶阀式闸门,密封蝶阀式闸门,快关蝶阀式闸门,高温蝶阀式隔绝门,气动蝶阀式隔绝门,密封蝶阀式隔绝门,快关蝶阀式隔绝门,高温蝶阀式隔离门,气动蝶阀式隔离门,密封蝶阀式隔离门,快关蝶阀式隔离门,高温蝶阀式调节门,气动蝶阀式调节门,密封蝶阀式调节门,快关蝶阀式调节门,气动零泄漏风阀,高温零泄漏风阀,密闭零泄漏风阀,不锈钢零泄漏风阀,气动零泄漏风门,高温零泄漏风门,密闭零泄漏风门,不锈钢零泄漏风门,气动零泄漏挡板门,高温零泄漏挡板门,密闭零泄漏挡板门,不锈钢零泄漏挡板门,气动零泄漏阀门,高温零泄漏阀门,密闭零泄漏阀门,不锈钢零泄漏阀门,气动零泄漏蝶阀,高温零泄漏蝶阀,密闭零泄漏蝶阀,不锈钢零泄漏蝶阀,气动零泄漏插板门,高温零泄漏插板门,密闭零泄漏插板门,不锈钢零泄漏插板门,气动零泄漏插板阀,高温零泄漏插板阀,密闭零泄漏插板阀,不锈钢零泄漏插板阀,气动零泄漏闸门,高温零泄漏闸门,密闭零泄漏闸门,不锈钢零泄漏闸门,气动零泄漏隔绝门,高温零泄漏隔绝门,密闭零泄漏隔绝门,不锈钢零泄漏隔绝门,气动零泄漏隔离门,高温零泄漏隔离门,密闭零泄漏隔离门,不锈钢零泄漏隔离门,气动零泄漏调节门,高温零泄漏调节门,密闭零泄漏调节门,不锈钢零泄漏调节门,烟气百叶窗风阀,矩形百叶窗风阀,调节百叶窗风阀,电动百叶窗风阀,烟气百叶窗风门,矩形百叶窗风门,调节百叶窗风门,电动百叶窗风门,烟气百叶窗挡板门,矩形百叶窗挡板门,调节百叶窗挡板门,电动百叶窗挡板门,烟气百叶窗阀门,矩形百叶窗阀门,调节百叶窗阀门,电动百叶窗阀门,烟气百叶窗蝶阀,矩形百叶窗蝶阀,调节百叶窗蝶阀,电动百叶窗蝶阀,烟气百叶窗插板门,矩形百叶窗插板门,调节百叶窗插板门,电动百叶窗插板门,烟气百叶窗插板阀,矩形百叶窗插板阀,调节百叶窗插板阀,电动百叶窗插板阀,烟气百叶窗闸门,矩形百叶窗闸门,调节百叶窗闸门,电动百叶窗闸门,烟气百叶窗隔绝门,矩形百叶窗隔绝门,调节百叶窗隔绝门,电动百叶窗隔绝门,烟气百叶窗隔离门,矩形百叶窗隔离门,调节百叶窗隔离门,电动百叶窗隔离门,烟气百叶窗调节门,矩形百叶窗调节门,调节百叶窗调节门,电动百叶窗调节门,电动挡板调节风阀,气动挡板调节风阀,手动挡板调节风阀,高温挡板调节风阀,电动挡板调节风门,气动挡板调节风门,手动挡板调节风门,高温挡板调节风门,电动挡板调节挡板门,气动挡板调节挡板门,手动挡板调节挡板门,高温挡板调节挡板门,电动挡板调节阀门,气动挡板调节阀门,手动挡板调节阀门,高温挡板调节阀门,电动挡板调节蝶阀,气动挡板调节蝶阀,手动挡板调节蝶阀,高温挡板调节蝶阀,电动挡板调节插板门,气动挡板调节插板门,手动挡板调节插板门,高温挡板调节插板门,电动挡板调节插板阀,气动挡板调节插板阀,手动挡板调节插板阀,高温挡板调节插板阀,电动挡板调节闸门,气动挡板调节闸门,手动挡板调节闸门,高温挡板调节闸门,电动挡板调节隔绝门,气动挡板调节隔绝门,手动挡板调节隔绝门,高温挡板调节隔绝门,电动挡板调节隔离门,气动挡板调节隔离门,手动挡板调节隔离门,高温挡板调节隔离门,电动挡板调节调节门,气动挡板调节调节门,手动挡板调节调节门,高温挡板调节调节门,高温调节挡板风阀,烟气调节挡板风阀,风机调节挡板风阀,电动调节挡板风阀,高温调节挡板风门,烟气调节挡板风门,风机调节挡板风门,电动调节挡板风门,高温调节挡板挡板门,烟气调节挡板挡板门,风机调节挡板挡板门,电动调节挡板挡板门,高温调节挡板阀门,烟气调节挡板阀门,风机调节挡板阀门,电动调节挡板阀门,高温调节挡板蝶阀,烟气调节挡板蝶阀,风机调节挡板蝶阀,电动调节挡板蝶阀,高温调节挡板插板门,烟气调节挡板插板门,风机调节挡板插板门,电动调节挡板插板门,高温调节挡板插板阀,烟气调节挡板插板阀,风机调节挡板插板阀,电动调节挡板插板阀,高温调节挡板闸门,烟气调节挡板闸门,风机调节挡板闸门,电动调节挡板闸门,高温调节挡板隔绝门,烟气调节挡板隔绝门,风机调节挡板隔绝门,电动调节挡板隔绝门,高温调节挡板隔离门,烟气调节挡板隔离门,风机调节挡板隔离门,电动调节挡板隔离门,高温调节挡板调节门,烟气调节挡板调节门,风机调节挡板调节门,电动调节挡板调节门,脱硫单轴风阀,高温单轴风阀,快开单轴风阀,单蝶板单轴风阀,脱硫单轴风门,高温单轴风门,快开单轴风门,单蝶板单轴风门,脱硫单轴挡板门,高温单轴挡板门,快开单轴挡板门,单蝶板单轴挡板门,脱硫单轴阀门,高温单轴阀门,快开单轴阀门,单蝶板单轴阀门,脱硫单轴蝶阀,高温单轴蝶阀,快开单轴蝶阀,单蝶板单轴蝶阀,脱硫单轴插板门,高温单轴插板门,快开单轴插板门,单蝶板单轴插板门,脱硫单轴插板阀,高温单轴插板阀,快开单轴插板阀,单蝶板单轴插板阀,脱硫单轴闸门,高温单轴闸门,快开单轴闸门,单蝶板单轴闸门,脱硫单轴隔绝门,高温单轴隔绝门,快开单轴隔绝门,单蝶板单轴隔绝门,脱硫单轴隔离门,高温单轴隔离门,快开单轴隔离门,单蝶板单轴隔离门,脱硫单轴调节门,高温单轴调节门,快开单轴调节门,单蝶板单轴调节门,调节多叶风阀,圆形多叶风阀,矩形多叶风阀,电动多叶风阀,调节多叶风门,圆形多叶风门,矩形多叶风门,电动多叶风门,调节多叶挡板门,圆形多叶挡板门,矩形多叶挡板门,电动多叶挡板门,调节多叶阀门,圆形多叶阀门,矩形多叶阀门,电动多叶阀门,调节多叶蝶阀,圆形多叶蝶阀,矩形多叶蝶阀,电动多叶蝶阀,调节多叶插板门,圆形多叶插板门,矩形多叶插板门,电动多叶插板门,调节多叶插板阀,圆形多叶插板阀,矩形多叶插板阀,电动多叶插板阀,调节多叶闸门,圆形多叶闸门,矩形多叶闸门,电动多叶闸门,调节多叶隔绝门,圆形多叶隔绝门,矩形多叶隔绝门,电动多叶隔绝门,调节多叶隔离门,圆形多叶隔离门,矩形多叶隔离门,电动多叶隔离门,调节多叶调节门,圆形多叶调节门,矩形多叶调节门,电动多叶调节门,多叶不锈钢风阀,防腐不锈钢防腐,电动不锈钢风阀,多叶不锈钢风门,电动不锈钢风门,多叶不锈钢挡板门,电动不锈钢挡板门,多叶不锈钢阀门,电动不锈钢阀门,多叶不锈钢蝶阀,电动不锈钢蝶阀,多叶不锈钢插板门,电动不锈钢插板门,多叶不锈钢插板阀,电动不锈钢插板阀,多叶不锈钢闸门,电动不锈钢闸门,多叶不锈钢隔绝门,电动不锈钢隔绝门,多叶不锈钢隔离门,电动不锈钢隔离门,多叶不锈钢调节门,电动不锈钢调节门,不锈钢烟囱风阀,单板烟囱风阀,多叶烟囱风阀,高温烟囱风阀,不锈钢烟囱风门,单板烟囱风门,多叶烟囱风门,高温烟囱风门,不锈钢烟囱挡板门,单板烟囱挡板门,多叶烟囱挡板门,高温烟囱挡板门,不锈钢烟囱阀门,单板烟囱阀门,多叶烟囱阀门,高温烟囱阀门,不锈钢烟囱蝶阀,单板烟囱蝶阀,多叶烟囱蝶阀,高温烟囱蝶阀,不锈钢烟囱插板门,单板烟囱插板门,多叶烟囱插板门,高温烟囱插板门,不锈钢烟囱插板阀,单板烟囱插板阀,多叶烟囱插板阀,高温烟囱插板阀,不锈钢烟囱闸门,单板烟囱闸门,多叶烟囱闸门,高温烟囱闸门,不锈钢烟囱隔绝门,单板烟囱隔绝门,多叶烟囱隔绝门,高温烟囱隔绝门,不锈钢烟囱隔离门,单板烟囱隔离门,多叶烟囱隔离门,高温烟囱隔离门,不锈钢烟囱调节门,单板烟囱调节门,多叶烟囱调节门,高温烟囱调节门,关闭冷风风阀,电动冷风风阀,风机冷风风阀,不锈钢冷风风阀,关闭冷风风门,电动冷风风门,风机冷风风门,不锈钢冷风风门,关闭冷风挡板门,电动冷风挡板门,风机冷风挡板门,不锈钢冷风挡板门,关闭冷阀门门,电动冷阀门门,风机冷阀门门,不锈钢冷阀门门,关闭冷风蝶阀,电动冷风蝶阀,风机冷风蝶阀,不锈钢冷风蝶阀,关闭冷风插板门,电动冷风插板门,风机冷风插板门,不锈钢冷风插板门,关闭冷风插板阀,电动冷风插板阀,风机冷风插板阀,不锈钢冷风插板阀,关闭冷风闸门,电动冷风闸门,风机冷风闸门,不锈钢冷风闸门,关闭冷风隔绝门,电动冷风隔绝门,风机冷风隔绝门,不锈钢冷风隔绝门,关闭冷风隔离门,电动冷风隔离门,风机冷风隔离门,不锈钢冷风隔离门,关闭冷风调节门,电动冷风调节门,风机冷风调节门,不锈钢冷风调节门,不锈钢船舶风阀,脱硫船舶风阀,烟气船舶风阀,排空船舶风阀,不锈钢船舶风门,脱硫船舶风门,烟气船舶风门,排空船舶风门,不锈钢船舶挡板门,脱硫船舶挡板门,烟气船舶挡板门,排空船舶挡板门,不锈钢船舶阀门,脱硫船舶阀门,烟气船舶阀门,排空船舶阀门,不锈钢船舶蝶阀,脱硫船舶蝶阀,烟气船舶蝶阀,排空船舶蝶阀,不锈钢船舶插板门,脱硫船舶插板门,烟气船舶插板门,排空船舶插板门,不锈钢船舶插板阀,脱硫船舶插板阀,烟气船舶插板阀,排空船舶插板阀,不锈钢船舶闸门,脱硫船舶闸门,烟气船舶闸门,排空船舶闸门,不锈钢船舶隔绝门,脱硫船舶隔绝门,烟气船舶隔绝门,排空船舶隔绝门,不锈钢船舶隔离门,脱硫船舶隔离门,烟气船舶隔离门,排空船舶隔离门,不锈钢船舶调节门,脱硫船舶调节门,烟气船舶调节门,排空船舶调节门,高温船用风阀,脱硫船用风阀,气动船用风阀,烟气船用风阀,高温船用风门,脱硫船用风门,气动船用风门,烟气船用风门,高温船用挡板门,脱硫船用挡板门,气动船用挡板门,烟气船用挡板门,高温船用阀门,脱硫船用阀门,气动船用阀门,烟气船用阀门,高温船用蝶阀,脱硫船用蝶阀,气动船用蝶阀,烟气船用蝶阀,高温船用插板门,脱硫船用插板门,气动船用插板门,烟气船用插板门,高温船用插板阀,脱硫船用插板阀,气动船用插板阀,烟气船用插板阀,高温船用闸门,脱硫船用闸门,气动船用闸门,烟气船用闸门,高温船用隔绝门,脱硫船用隔绝门,气动船用隔绝门,烟气船用隔绝门,高温船用隔离门,脱硫船用隔离门,气动船用隔离门,烟气船用隔离门,高温船用调节门,脱硫船用调节门,气动船用调节门,烟气船用调节门,无风阻菱形风阀,高温菱形风阀,多叶菱形风阀,气动菱形风阀,无风阻菱形风门,高温菱形风门,多叶菱形风门,气动菱形风门,无风阻菱形挡板门,高温菱形挡板门,多叶菱形挡板门,气动菱形挡板门,无风阻菱形阀门,高温菱形阀门,多叶菱形阀门,气动菱形阀门,无风阻菱形蝶阀,高温菱形蝶阀,多叶菱形蝶阀,气动菱形蝶阀,无风阻菱形插板门,高温菱形插板门,多叶菱形插板门,气动菱形插板门,无风阻菱形插板阀,高温菱形插板阀,多叶菱形插板阀,气动菱形插板阀,无风阻菱形闸门,高温菱形闸门,多叶菱形闸门,气动菱形闸门,无风阻菱形隔绝门,高温菱形隔绝门,多叶菱形隔绝门,气动菱形隔绝门,无风阻菱形隔离门,高温菱形隔离门,多叶菱形隔离门,气动菱形隔离门,无风阻菱形调节门,高温菱形调节门,多叶菱形调节门,气动菱形调节门,脱硫双层风阀,水冷双层风阀,密封风双层风阀,船用双层风阀,脱硫双层风门,水冷双层风门,密封风双层风门,船用双层风门,脱硫双层挡板门,水冷双层挡板门,密封风双层挡板门,船用双层挡板门,脱硫双层阀门,水冷双层阀门,密封风双层阀门,船用双层阀门,脱硫双层蝶阀,水冷双层蝶阀,密封风双层蝶阀,船用双层蝶阀,脱硫双层插板门,水冷双层插板门,密封风双层插板门,船用双层插板门,脱硫双层插板阀,水冷双层插板阀,密封风双层插板阀,船用双层插板阀,脱硫双层闸门,水冷双层闸门,密封风双层闸门,船用双层闸门,脱硫双层隔绝门,水冷双层隔绝门,密封风双层隔绝门,船用双层隔绝门,脱硫双层隔离门,水冷双层隔离门,密封风双层隔离门,船用双层隔离门,脱硫双层调节门,水冷双层调节门,密封风双层调节门,船用双层调节门,不锈钢环保风阀,气动环保风阀,高温环保风阀,船用脱硫环保风阀,不锈钢环保风门,气动环保风门,高温环保风门,船用脱硫环保风门,不锈钢环保挡板门,气动环保挡板门,高温环保挡板门,船用脱硫环保挡板门,不锈钢环保阀门,气动环保阀门,高温环保阀门,船用脱硫环保阀门,不锈钢环保蝶阀,气动环保蝶阀,高温环保蝶阀,船用脱硫环保蝶阀,不锈钢环保插板门,气动环保插板门,高温环保插板门,船用脱硫环保插板门,不锈钢环保插板阀,气动环保插板阀,高温环保插板阀,船用脱硫环保插板阀,不锈钢环保闸门,气动环保闸门,高温环保闸门,船用脱硫环保闸门,不锈钢环保隔绝门,气动环保隔绝门,高温环保隔绝门,船用脱硫环保隔绝门,不锈钢环保隔离门,气动环保隔离门,高温环保隔离门,船用脱硫环保隔离门,不锈钢环保调节门,气动环保调节门,高温环保调节门,船用脱硫环保调节门,不锈钢高温挡板风阀,烟气高温挡板风阀,气动高温挡板风阀,31S高温挡板风阀,不锈钢高温挡板风门,烟气高温挡板风门,气动高温挡板风门,31S高温挡板风门,不锈钢高温挡板挡板门,烟气高温挡板挡板门,气动高温挡板挡板门,31S高温挡板挡板门,不锈钢高温挡板阀门,烟气高温挡板阀门,气动高温挡板阀门,31S高温挡板阀门,不锈钢高温挡板蝶阀,烟气高温挡板蝶阀,气动高温挡板蝶阀,31S高温挡板蝶阀,不锈钢高温挡板插板门,烟气高温挡板插板门,气动高温挡板插板门,31S高温挡板插板门,不锈钢高温挡板插板阀,烟气高温挡板插板阀,气动高温挡板插板阀,31S高温挡板插板阀,不锈钢高温挡板闸门,烟气高温挡板闸门,气动高温挡板闸门,31S高温挡板闸门,不锈钢高温挡板隔绝门,烟气高温挡板隔绝门,气动高温挡板隔绝门,31S高温挡板隔绝门,不锈钢高温挡板隔离门,烟气高温挡板隔离门,气动高温挡板隔离门,31S高温挡板隔离门,不锈钢高温挡板调节门,烟气高温挡板调节门,气动高温挡板调节门,31S高温挡板调节门,电动高温调节风阀,RTO高温调节风阀,比例高温调节风阀,31S高温调节风阀,电动高温调节风门,RTO高温调节风门,比例高温调节风门,31S高温调节风门,电动高温调节挡板门,RTO高温调节挡板门,比例高温调节挡板门,31S高温调节挡板门,电动高温调节阀门,RTO高温调节阀门,比例高温调节阀门,31S高温调节阀门,电动高温调节蝶阀,RTO高温调节蝶阀,比例高温调节蝶阀,31S高温调节蝶阀,电动高温调节插板门,RTO高温调节插板门,比例高温调节插板门,31S高温调节插板门,电动高温调节插板阀,RTO高温调节插板阀,比例高温调节插板阀,31S高温调节插板阀,电动高温调节闸门,RTO高温调节闸门,比例高温调节闸门,31S高温调节闸门,电动高温调节隔绝门,RTO高温调节隔绝门,比例高温调节隔绝门,31S高温调节隔绝门,电动高温调节隔离门,RTO高温调节隔离门,比例高温调节隔离门,31S高温调节隔离门,电动高温调节调节门,RTO高温调节调节门,比例高温调节调节门,31S高温调节调节门,单轴脱硫烟气风阀,双轴脱硫烟气风阀,三轴脱硫烟气风阀,电动脱硫烟气风阀,单轴脱硫烟气风门,双轴脱硫烟气风门,三轴脱硫烟气风门,电动脱硫烟气风门,单轴脱硫烟气挡板门,双轴脱硫烟气挡板门,三轴脱硫烟气挡板门,电动脱硫烟气挡板门,单轴脱硫烟气阀门,双轴脱硫烟气阀门,三轴脱硫烟气阀门,电动脱硫烟气阀门,单轴脱硫烟气蝶阀,双轴脱硫烟气蝶阀,三轴脱硫烟气蝶阀,电动脱硫烟气蝶阀,单轴脱硫烟气插板门,双轴脱硫烟气插板门,三轴脱硫烟气插板门,电动脱硫烟气插板门,单轴脱硫烟气插板阀,双轴脱硫烟气插板阀,三轴脱硫烟气插板阀,电动脱硫烟气插板阀,单轴脱硫烟气闸门,双轴脱硫烟气闸门,三轴脱硫烟气闸门,电动脱硫烟气闸门,单轴脱硫烟气隔绝门,双轴脱硫烟气隔绝门,三轴脱硫烟气隔绝门,电动脱硫烟气隔绝门,单轴脱硫烟气隔离门,双轴脱硫烟气隔离门,三轴脱硫烟气隔离门,电动脱硫烟气隔离门,单轴脱硫烟气调节门,双轴脱硫烟气调节门,三轴脱硫烟气调节门,电动脱硫烟气调节门,气动高温烟气风阀,电动高温烟气风阀,不锈钢高温烟气风阀,31S高温烟气风阀,气动高温烟气风门,电动高温烟气风门,不锈钢高温烟气风门,31S高温烟气风门,气动高温烟气挡板门,电动高温烟气挡板门,不锈钢高温烟气挡板门,31S高温烟气挡板门,气动高温烟气阀门,电动高温烟气阀门,不锈钢高温烟气阀门,31S高温烟气阀门,气动高温烟气蝶阀,电动高温烟气蝶阀,不锈钢高温烟气蝶阀,31S高温烟气蝶阀,气动高温烟气插板门,电动高温烟气插板门,不锈钢高温烟气插板门,31S高温烟气插板门,气动高温烟气插板阀,电动高温烟气插板阀,不锈钢高温烟气插板阀,31S高温烟气插板阀,气动高温烟气闸门,电动高温烟气闸门,不锈钢高温烟气闸门,31S高温烟气闸门,气动高温烟气隔绝门,电动高温烟气隔绝门,不锈钢高温烟气隔绝门,31S高温烟气隔绝门,气动高温烟气隔离门,电动高温烟气隔离门,不锈钢高温烟气隔离门,31S高温烟气隔离门,气动高温烟气调节门,电动高温烟气调节门,不锈钢高温烟气调节门,31S高温烟气调节门,气动单碟板风阀,电动单碟板风阀,手动涡轮单碟板风阀,不锈钢单蝶板风阀,气动单碟板风门,电动单碟板风门,手动涡轮单碟板风门,不锈钢单蝶板风门,气动单碟板挡板门,电动单碟板挡板门,手动涡轮单碟板挡板门,不锈钢单蝶板挡板门,气动单碟板阀门,电动单碟板阀门,手动涡轮单碟板阀门,不锈钢单蝶板阀门,气动单碟板蝶阀,电动单碟板蝶阀,手动涡轮单碟板蝶阀,不锈钢单蝶板蝶阀,气动单碟板插板门,电动单碟板插板门,手动涡轮单碟板插板门,不锈钢单蝶板插板门,气动单碟板插板阀,电动单碟板插板阀,手动涡轮单碟板插板阀,不锈钢单蝶板插板阀,气动单碟板闸门,电动单碟板闸门,手动涡轮单碟板闸门,不锈钢单蝶板闸门,气动单碟板隔绝门,电动单碟板隔绝门,手动涡轮单碟板隔绝门,不锈钢单蝶板隔绝门,气动单碟板隔离门,电动单碟板隔离门,手动涡轮单碟板隔离门,不锈钢单蝶板隔离门,气动单碟板调节门,电动单碟板调节门,手动涡轮单碟板调节门,不锈钢单蝶板调节门,高温12摄氏度风阀,气动12摄氏度风阀,电动12摄氏度风阀,不锈钢12摄氏度风阀,高温12摄氏度风门,气动12摄氏度风门,电动12摄氏度风门,不锈钢12摄氏度风门,高温12摄氏度挡板门,气动12摄氏度挡板门,电动12摄氏度挡板门,不锈钢12摄氏度挡板门,高温12摄氏度阀门,气动12摄氏度阀门,电动12摄氏度阀门,不锈钢12摄氏度阀门,高温12摄氏度蝶阀,气动12摄氏度蝶阀,电动12摄氏度蝶阀,不锈钢12摄氏度蝶阀,高温12摄氏度插板门,气动12摄氏度插板门,电动12摄氏度插板门,不锈钢12摄氏度插板门,高温12摄氏度插板阀,气动12摄氏度插板阀,电动12摄氏度插板阀,不锈钢12摄氏度插板阀,高温12摄氏度闸门,气动12摄氏度闸门,电动12摄氏度闸门,不锈钢12摄氏度闸门,高温12摄氏度隔绝门,气动12摄氏度隔绝门,电动12摄氏度隔绝门,不锈钢12摄氏度隔绝门,高温12摄氏度隔离门,气动12摄氏度隔离门,电动12摄氏度隔离门,不锈钢12摄氏度隔离门,高温12摄氏度调节门,气动12摄氏度调节门,电动12摄氏度调节门,不锈钢12摄氏度调节门,不锈钢1摄氏度风阀,调节1摄氏度风阀,开关型1摄氏度风阀,31S1摄氏度风阀,不锈钢1摄氏度风门,调节1摄氏度风门,开关型1摄氏度风门,31S1摄氏度风门,不锈钢1摄氏度挡板门,调节1摄氏度挡板门,开关型1摄氏度挡板门,31S1摄氏度挡板门,不锈钢1摄氏度阀门,调节1摄氏度阀门,开关型1摄氏度阀门,31S1摄氏度阀门,不锈钢1摄氏度蝶阀,调节1摄氏度蝶阀,开关型1摄氏度蝶阀,31S1摄氏度蝶阀,不锈钢1摄氏度插板门,调节1摄氏度插板门,开关型1摄氏度插板门,31S1摄氏度插板门,不锈钢1摄氏度插板阀,调节1摄氏度插板阀,开关型1摄氏度插板阀,31S1摄氏度插板阀,不锈钢1摄氏度闸门,调节1摄氏度闸门,开关型1摄氏度闸门,31S1摄氏度闸门,不锈钢1摄氏度隔绝门,调节1摄氏度隔绝门,开关型1摄氏度隔绝门,31S1摄氏度隔绝门,不锈钢1摄氏度隔离门,调节1摄氏度隔离门,开关型1摄氏度隔离门,31S1摄氏度隔离门,不锈钢1摄氏度调节门,调节1摄氏度调节门,开关型1摄氏度调节门,31S1摄氏度调节门,调节型1摄氏度风阀,电动1摄氏度风阀,调节型1摄氏度风门,电动1摄氏度风门,调节型1摄氏度挡板门,电动1摄氏度挡板门,调节型1摄氏度阀门,电动1摄氏度阀门,调节型1摄氏度蝶阀,电动1摄氏度蝶阀,调节型1摄氏度插板门,电动1摄氏度插板门,调节型1摄氏度插板阀,电动1摄氏度插板阀,调节型1摄氏度闸门,电动1摄氏度闸门,调节型1摄氏度隔绝门,电动1摄氏度隔绝门,调节型1摄氏度隔离门,电动1摄氏度隔离门,调节型1摄氏度调节门,电动1摄氏度调节门,高温不锈钢三通风阀,烟气三通风阀,气动三通风阀,旁路三通风阀,高温不锈钢三通风门,烟气三通风门,气动三通风门,旁路三通风门,高温不锈钢三通挡板门,烟气三通挡板门,气动三通挡板门,旁路三通挡板门,高温不锈钢三通阀门,烟气三通阀门,气动三通阀门,旁路三通阀门,高温不锈钢三通蝶阀,烟气三通蝶阀,气动三通蝶阀,旁路三通蝶阀,高温不锈钢三通插板门,烟气三通插板门,气动三通插板门,旁路三通插板门,高温不锈钢三通插板阀,烟气三通插板阀,气动三通插板阀,旁路三通插板阀,高温不锈钢三通闸门,烟气三通闸门,气动三通闸门,旁路三通闸门,高温不锈钢三通隔绝门,烟气三通隔绝门,气动三通隔绝门,旁路三通隔绝门,高温不锈钢三通隔离门,烟气三通隔离门,气动三通隔离门,旁路三通隔离门,高温不锈钢三通调节门,烟气三通调节门,气动三通调节门,旁路三通调节门,三通换向风阀,烟气换向风阀,煤粉换向风阀,风道换向风阀,三通换向风门,烟气换向风门,煤粉换向风门,风道换向风门,三通换向挡板门,烟气换向挡板门,煤粉换向挡板门,风道换向挡板门,三通换向阀门,烟气换向阀门,煤粉换向阀门,风道换向阀门,三通换向蝶阀,烟气换向蝶阀,煤粉换向蝶阀,风道换向蝶阀,三通换向插板门,烟气换向插板门,煤粉换向插板门,风道换向插板门,三通换向插板阀,烟气换向插板阀,煤粉换向插板阀,风道换向插板阀,三通换向闸门,烟气换向闸门,煤粉换向闸门,风道换向闸门,三通换向隔绝门,烟气换向隔绝门,煤粉换向隔绝门,风道换向隔绝门,三通换向隔离门,烟气换向隔离门,煤粉换向隔离门,风道换向隔离门,三通换向调节门,烟气换向调节门,煤粉换向调节门,风道换向调节门,气动旁路风阀,脱硫旁路风阀,船用旁路风阀,高温旁路风阀,气动旁路风门,脱硫旁路风门,船用旁路风门,高温旁路风门,气动旁路挡板门,脱硫旁路挡板门,船用旁路挡板门,高温旁路挡板门,气动旁路阀门,脱硫旁路阀门,船用旁路阀门,高温旁路阀门,气动旁路蝶阀,脱硫旁路蝶阀,船用旁路蝶阀,高温旁路蝶阀,气动旁路插板门,脱硫旁路插板门,船用旁路插板门,高温旁路插板门,气动旁路插板阀,脱硫旁路插板阀,船用旁路插板阀,高温旁路插板阀,气动旁路闸门,脱硫旁路闸门,船用旁路闸门,高温旁路闸门,气动旁路隔绝门,脱硫旁路隔绝门,船用旁路隔绝门,高温旁路隔绝门,气动旁路隔离门,脱硫旁路隔离门,船用旁路隔离门,高温旁路隔离门,气动旁路调节门,脱硫旁路调节门,船用旁路调节门,高温旁路调节门,空气排放风阀,烟气排放风阀,废气排放风阀,垃圾处理排放风阀,空气排放风门,烟气排放风门,废气排放风门,垃圾处理排放风门,空气排放挡板门,烟气排放挡板门,废气排放挡板门,垃圾处理排放挡板门,空气排放阀门,烟气排放阀门,废气排放阀门,垃圾处理排放阀门,空气排放蝶阀,烟气排放蝶阀,废气排放蝶阀,垃圾处理排放蝶阀,空气排放插板门,烟气排放插板门,废气排放插板门,垃圾处理排放插板门,空气排放插板阀,烟气排放插板阀,废气排放插板阀,垃圾处理排放插板阀,空气排放闸门,烟气排放闸门,废气排放闸门,垃圾处理排放闸门,空气排放隔绝门,烟气排放隔绝门,废气排放隔绝门,垃圾处理排放隔绝门,空气排放隔离门,烟气排放隔离门,废气排放隔离门,垃圾处理排放隔离门,空气排放调节门,烟气排放调节门,废气排放调节门,垃圾处理排放调节门,插板式焦化脱硫风阀,焦化厂脱硫风阀,气密封脱硫风阀,电动焦化脱硫风阀,插板式焦化脱硫风门,焦化厂脱硫风门,气密封脱硫风门,电动焦化脱硫风门,插板式焦化脱硫挡板门,焦化厂脱硫挡板门,气密封脱硫挡板门,电动焦化脱硫挡板门,插板式焦化脱硫阀门,焦化厂脱硫阀门,气密封脱硫阀门,电动焦化脱硫阀门,插板式焦化脱硫蝶阀,焦化厂脱硫蝶阀,气密封脱硫蝶阀,电动焦化脱硫蝶阀,插板式焦化脱硫插板门,焦化厂脱硫插板门,气密封脱硫插板门,电动焦化脱硫插板门,插板式焦化脱硫插板阀,焦化厂脱硫插板阀,气密封脱硫插板阀,电动焦化脱硫插板阀,插板式焦化脱硫闸门,焦化厂脱硫闸门,气密封脱硫闸门,电动焦化脱硫闸门,插板式焦化脱硫隔绝门,焦化厂脱硫隔绝门,气密封脱硫隔绝门,电动焦化脱硫隔绝门,插板式焦化脱硫隔离门,焦化厂脱硫隔离门,气密封脱硫隔离门,电动焦化脱硫隔离门,插板式焦化脱硫调节门,焦化厂脱硫调节门,气密封脱硫调节门,电动焦化脱硫调节门,高温高压风阀,气动高压风阀,高压风机风阀,不锈钢高压风阀,高温高压风门,气动高压风门,高压风机风门,不锈钢高压风门,高温高压挡板门,气动高压挡板门,高压风机挡板门,不锈钢高压挡板门,高温高压阀门,气动高压阀门,高压风机阀门,不锈钢高压阀门,高温高压蝶阀,气动高压蝶阀,高压风机蝶阀,不锈钢高压蝶阀,高温高压插板门,气动高压插板门,高压风机插板门,不锈钢高压插板门,高温高压插板阀,气动高压插板阀,高压风机插板阀,不锈钢高压插板阀,高温高压闸门,气动高压闸门,高压风机闸门,不锈钢高压闸门,高温高压隔绝门,气动高压隔绝门,高压风机隔绝门,不锈钢高压隔绝门,高温高压隔离门,气动高压隔离门,高压风机隔离门,不锈钢高压隔离门,高温高压调节门,气动高压调节门,高压风机调节门,不锈钢高压调节门,粉尘防爆风阀,煤粉管道防爆风阀,煤气管道防爆风阀,除尘器防爆风阀,粉尘防爆风门,煤粉管道防爆风门,煤气管道防爆风门,除尘器防爆风门,粉尘防爆挡板门,煤粉管道防爆挡板门,煤气管道防爆挡板门,除尘器防爆挡板门,粉尘防爆阀门,煤粉管道防爆阀门,煤气管道防爆阀门,除尘器防爆阀门,粉尘防爆蝶阀,煤粉管道防爆蝶阀,煤气管道防爆蝶阀,除尘器防爆蝶阀,粉尘防爆插板门,煤粉管道防爆插板门,煤气管道防爆插板门,除尘器防爆插板门,粉尘防爆插板阀,煤粉管道防爆插板阀,煤气管道防爆插板阀,除尘器防爆插板阀,粉尘防爆闸门,煤粉管道防爆闸门,煤气管道防爆闸门,除尘器防爆闸门,粉尘防爆隔绝门,煤粉管道防爆隔绝门,煤气管道防爆隔绝门,除尘器防爆隔绝门,粉尘防爆隔离门,煤粉管道防爆隔离门,煤气管道防爆隔离门,除尘器防爆隔离门,粉尘防爆调节门,煤粉管道防爆调节门,煤气管道防爆调节门,除尘器防爆调节门,不锈钢温控风阀,一体化控制温控风阀,高温型温控风阀,防爆型温控风阀,不锈钢温控风门,一体化控制温控风门,高温型温控风门,防爆型温控风门,不锈钢温控挡板门,一体化控制温控挡板门,高温型温控挡板门,防爆型温控挡板门,不锈钢温控阀门,一体化控制温控阀门,高温型温控阀门,防爆型温控阀门,不锈钢温控蝶阀,一体化控制温控蝶阀,高温型温控蝶阀,防爆型温控蝶阀,不锈钢温控插板门,一体化控制温控插板门,高温型温控插板门,防爆型温控插板门,不锈钢温控插板阀,一体化控制温控插板阀,高温型温控插板阀,防爆型温控插板阀,不锈钢温控闸门,一体化控制温控闸门,高温型温控闸门,防爆型温控闸门,不锈钢温控隔绝门,一体化控制温控隔绝门,高温型温控隔绝门,防爆型温控隔绝门,不锈钢温控隔离门,一体化控制温控隔离门,高温型温控隔离门,防爆型温控隔离门,不锈钢温控调节门,一体化控制温控调节门,高温型温控调节门,防爆型温控调节门,轻型三偏心风阀,烟道三偏心风阀,烟气三偏心风阀,船用三偏心风阀,轻型三偏心风门,烟道三偏心风门,烟气三偏心风门,船用三偏心风门,轻型三偏心挡板门,烟道三偏心挡板门,烟气三偏心挡板门,船用三偏心挡板门,轻型三偏心阀门,烟道三偏心阀门,烟气三偏心阀门,船用三偏心阀门,轻型三偏心蝶阀,烟道三偏心蝶阀,烟气三偏心蝶阀,船用三偏心蝶阀,轻型三偏心插板门,烟道三偏心插板门,烟气三偏心插板门,船用三偏心插板门,轻型三偏心插板阀,烟道三偏心插板阀,烟气三偏心插板阀,船用三偏心插板阀,轻型三偏心闸门,烟道三偏心闸门,烟气三偏心闸门,船用三偏心闸门,轻型三偏心隔绝门,烟道三偏心隔绝门,烟气三偏心隔绝门,船用三偏心隔绝门,轻型三偏心隔离门,烟道三偏心隔离门,烟气三偏心隔离门,船用三偏心隔离门,轻型三偏心调节门,烟道三偏心调节门,烟气三偏心调节门,船用三偏心调节门,气动密封三偏心风阀,电动三偏心风阀,高温三偏心风阀,泄漏三偏心风阀,气动密封三偏心风门,电动三偏心风门,高温三偏心风门,泄漏三偏心风门,气动密封三偏心挡板门,电动三偏心挡板门,高温三偏心挡板门,泄漏三偏心挡板门,气动密封三偏心阀门,电动三偏心阀门,高温三偏心阀门,泄漏三偏心阀门,气动密封三偏心蝶阀,电动三偏心蝶阀,高温三偏心蝶阀,泄漏三偏心蝶阀,气动密封三偏心插板门,电动三偏心插板门,高温三偏心插板门,泄漏三偏心插板门,气动密封三偏心插板阀,电动三偏心插板阀,高温三偏心插板阀,泄漏三偏心插板阀,气动密封三偏心闸门,电动三偏心闸门,高温三偏心闸门,泄漏三偏心闸门,气动密封三偏心隔绝门,电动三偏心隔绝门,高温三偏心隔绝门,泄漏三偏心隔绝门,气动密封三偏心隔离门,电动三偏心隔离门,高温三偏心隔离门,泄漏三偏心隔离门,气动密封三偏心调节门,电动三偏心调节门,高温三偏心调节门,泄漏三偏心调节门